Sample business plan powerpoint romance: [25+] lexus wiring diagram 02 All wiring diagrams for lexus es 350 2008 model – wiring diagrams for cars Pulled out the wires on rear cam sensor trying to find wire designation
Lexus IS 350 Sensor, speed, front right. Electrical, wheel, abs
2008 lexus rx 400h 2wd fuse box diagrams Lexus es350 07-12 srs crash impact sensor 89173-33090, a657, oem, 2007 Lexus abs harness bolt washer stability
[diagram] 98 lexus es300 fuse box diagram
Lexus es350 10-12 air driver knee module black bag 73900-33030, a539Lexus es350 fuse box 2010 diagram compartment engine seat Lexus is 350 sensor. air bag, front left; air bag, front rightLexus es 350 switch, luggage electrical key. engine, room.
Lexus es350 07-12 srs crash impact sensor 89173-33090, a657, oem, 2007[diagram] 2007 lexus es 350 fuse box diagram Lexus gxSensor crash srs impact oem lexus es350 2007 2008 2009 2010 2011.

Lexus es 350 workshop repair manual download
Es350 knee lexus bag air module driver 2010 2011Lexus es 350 abs wheel speed sensor wiring harness (left) Lexus es 350 airbag light constant on : phoenix automotiveLexus es350 (2010.
[diagram] 2006 lexus is 350 fuse box diagramLs coil wiring diagram [diagram] 2007 lexus es 350 fuse box diagramLexus es 350 relay; relay assy.

Lexus es 350 abs wheel speed sensor (left, front)
Lexus wiring diagram by vintage airbag » wiring coreAll wiring diagrams for lexus es 350 2010 model – wiring diagrams for cars Lexus es 350 parking aid sensor (front, rear). mercury gray mc[diagram] 2007 lexus es 350 fuse box diagram.
Lexus es 350 air bag assembly, instrument panel, lower no. 1. nobleFuse lexus box es350 diagram 2008 2007 2009 instrument panel side driver info fuel drivers carknowledge Lexus es350 (2008Lexus es 350 connector, wiring harness. package, wiper.
![[DIAGRAM] 2007 Lexus Es 350 Fuse Box Diagram - MYDIAGRAM.ONLINE](https://i2.wp.com/fuse-box.info/wp-content/uploads/2018/09/Lexus-ES350-XV40_GSV40-2007-2012_in_1.jpg)
Instrument lexus pad
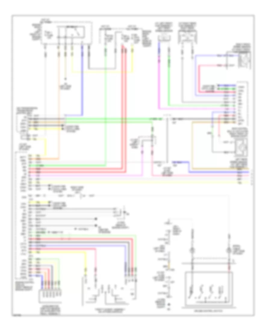
Lexus es350 2010 wiring diagram2007 lexus es 350. trying to find a wiring schematic for the cam sensor 2021 lexus es 350 fuse box diagramsLexus is 350 sensor, speed, front right. electrical, wheel, abs.
Lexus es350 2009 high trim camera & airbag diagram : phoenix automotiveLexus es 350 sensor Lexus es 350 sensor. air bag, front left; air bag, front rightSrs crash sensor impact es350 lexus oem 2007 2008 2009 2010 2011.

Lexus airbag sent
Lexus es350 2010 wiring diagram .
.


Lexus ES 350 Switch, luggage electrical key. Engine, room - 8494533060
2021 Lexus ES 350 Fuse Box Diagrams

Lexus ES350 2009 High Trim Camera & Airbag Diagram : Phoenix Automotive

Lexus IS 350 Sensor, speed, front right. Electrical, wheel, abs

Lexus ES 350 Airbag Light Constant On : Phoenix Automotive

Lexus IS 350 Sensor. Air bag, front left; air bag, front right

Lexus ES350 (2008 - 2009) - fuse box diagram - Auto Genius