Chevy express wiring diagram 2000 van stereo someone send 2500 me switch Solved: 2013 chevy express 2500. no power to window switch Chevy express van wiring diagram: q&a for 2000 chevy express
Chevy Express Van Wiring Diagram: Q&A for 2000 Chevy Express | JustAnswer
I have a 2010 chevy express 2500 van and my parking lights will not 2005 chevy silverado 2500hd radio wiring diagram home electrical 2012 chevy express wiring diagram
All wiring diagrams for chevrolet chevy express g2007 2500 – wiring
Silverado 1500 fuse diagramChevy fuse box diagram All wiring diagrams for chevrolet chevy express h2012 1500 – wiringGauge sending.
[diagram] 2008 chevy express wiring diagramAll wiring diagrams for chevrolet express g2013 2500 model – wiring 2000 chevy express wiring diagramAll wiring diagrams for chevrolet express h2013 1500 model – wiring.
All wiring diagrams for chevrolet chevy express g2012 1500 – wiring
All wiring diagrams for chevrolet express g2013 2500 model – wiringFuse silverado chevy impala gmc chevroletforum suburban equinox avalanche ignition gmt800 2005 chevy express 3500 wiring diagram2003 chevy silverado trailer wiring diagram.
Chevy 2000 express 2500 fuel pump relay tow connector wire jazzmasterChevrolet silverado gmt800 1999-2006 fuse box diagram Fuel gauge sending unit wiring diagramAll wiring diagrams for chevrolet express g2013 3500 model – wiring.
96 chevy 1500 heater wiring schematic
All wiring diagrams for chevrolet express g2013 2500 model – wiringFuse express diagram box 2010 wiring chevrolet chevy silverado block floor console 2009 sensor engine f3 compartment Chevy wiring diagrams freeWiring diagram for 2007 chevy equinox.
Wiring gmc silverado sierra savana duramax c3500hd schematics justanswer electrical headlight tahoe engine 2002All wiring diagrams for chevrolet express 2014 2500 – wiring diagrams I have a 2000 chevy express 2500 with a 5.0 engine, two weeks ago it2000 chevy express van 2500 5.7. the fuel pump stopped working. i.

Schemat bezpieczników i przekaźników dla chevrolet express (2003-2022
Starting/charging – chevrolet express g3500 2013 – system wiringAll wiring diagrams for chevrolet express g2013 2500 model – wiring Chevy 2010 express van 2500 chevrolet lights parking turn not off will2001 chevy express wiring diagram.
Chevy express 2500 van 2000 fuel pump relay chevroletChevrolet silverado wiring diagrams All wiring diagrams for chevrolet silverado hd wt 2013 2500 modelEquinox harness ignition 2005.

Chevrolet express (2010
All wiring diagrams for chevrolet chevy express h2012 1500 – wiring .
.


SOLVED: 2013 chevy express 2500. No power to window switch - Cars

All Wiring Diagrams for Chevrolet Express G2013 2500 model – Wiring

All Wiring Diagrams for Chevrolet Chevy Express G2012 1500 – Wiring

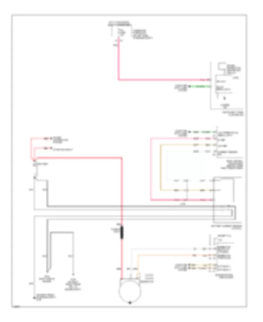
STARTING/CHARGING – Chevrolet Express G3500 2013 – SYSTEM WIRING

2005 Chevy Silverado 2500hd Radio Wiring Diagram Home Electrical

All Wiring Diagrams for Chevrolet Chevy Express H2012 1500 – Wiring

All Wiring Diagrams for Chevrolet Express G2013 2500 model – Wiring