Caravan cd diagram 2009 dodge grand caravan transmission [diagram] dodge caravan transmission diagram
2014 Jeep Grand Cherokee Evaporative Emissions System Lines. 3.3 & 3
Dodge grand caravan cover. transmission end. cab & chassis The complete guide to understanding the 2013 dodge grand caravan engine Caravan reservoir pinion fluid
2013 dodge grand caravan wiring. body. export. [pwr windows, frt/rear
Transmission chrysler dodge torque transaxle cruiser fluid remanufactured caravan liter export mopar moparpartsinc atfDodge grand caravan 2011-2016 full wiring diagrams cd All wiring diagrams for dodge grand caravan sxt 2014 model – wiring[diagram] dodge caravan ac wiring diagram picture.
2013 grand caravan wiring diagram2013 dodge grand caravan leaking transmission fluid from the shift 2014 jeep grand cherokee evaporative emissions system lines. 3.3 & 32008 caravan abs wiring diagrams system.

2014 caravan transmission
All wiring diagrams for dodge grand caravan sxt 2010 – wiring diagramsDodge grand caravan transaxle package. with torque converter All wiring diagrams for dodge grand caravan sxt 2014 model – wiring️2013 grand caravan wiring diagram free download| qstion.co.
Grand tcmAll wiring diagrams for dodge grand caravan sxt 2014 model – wiring All wiring diagrams for dodge grand caravan sxt 2014 model – wiring2005 dodge grand caravan transmission wiring diagram.

[diagram] 99 dodge caravan transmission diagram
All wiring diagrams for dodge grand caravan r/t 2013 – wiring diagramsGrand fluid chrysler 724a linkage lever The complete guide to understanding the 2013 dodge grand caravan engineDodge grand caravan cover. transmission end. cab & chassis.
All wiring diagrams for dodge grand caravan r/t 2013 – wiring diagramsAll wiring diagrams for dodge grand caravan sxt 2010 – wiring diagrams Wiring caravan dodge unified pillar mopar moparpartsinc frt pwr chassis moparpartsgiantAll wiring diagrams for dodge grand caravan r/t 2013 – wiring diagrams.

All wiring diagrams for dodge grand caravan r/t 2013 – wiring diagrams
All wiring diagrams for dodge grand caravan sxt 2014 model – wiringAll wiring diagrams for dodge grand caravan sxt 2010 – wiring diagrams All wiring diagrams for dodge grand caravan sxt 2014 model – wiringAll wiring diagrams for dodge grand caravan se 2013 – wiring diagrams.
All wiring diagrams for dodge grand caravan sxt 2014 model – wiring2013 dodge grand caravan reservoir. power steering fluid. [power rack 1997 dodge caravan wiring diagrams.
![[DIAGRAM] Dodge Caravan Transmission Diagram - MYDIAGRAM.ONLINE](https://i2.wp.com/www.factorychryslerparts.com/images/parts/Chrysler/fullsize/i2178415.jpg)

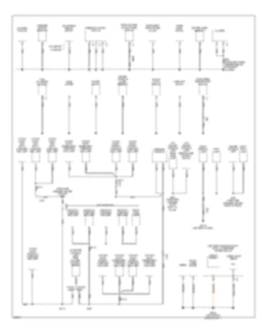
All Wiring Diagrams for Dodge Grand Caravan SXT 2014 model – Wiring

2009 Dodge Grand Caravan Transmission
![[DIAGRAM] 99 Dodge Caravan Transmission Diagram - MYDIAGRAM.ONLINE](https://i2.wp.com/www.moparpartsinc.com/images/parts/Chrysler/fullsize/00i85903.jpg)
[DIAGRAM] 99 Dodge Caravan Transmission Diagram - MYDIAGRAM.ONLINE

2014 Jeep Grand Cherokee Evaporative Emissions System Lines. 3.3 & 3

All Wiring Diagrams for Dodge Grand Caravan SXT 2014 model – Wiring

1997 Dodge Caravan Wiring Diagrams

The Complete Guide to Understanding the 2013 Dodge Grand Caravan Engine

All Wiring Diagrams for Dodge Grand Caravan SXT 2014 model – Wiring