Left side master window switch for hyundai veloster 2012-2017 2013 14 Veloster fan control rebuild 81260-2v010 hatch button trunk latch for hyundai veloster 1.6l 2012
2013 Hyundai Veloster Turbo picture | Auto123
Parting out a 2013 hyundai veloster parts car 81260-2v010 hatch release button with camera trunk latch for 2012-2017 Hyundai veloster turbo
Mastering 2013 hyundai veloster ac switch replacement: a comprehensive
2012-2017 hyundai veloster left driver master power window switch2013-2017 hyundai veloster cable turbo 13-17 2013 hyundai velosterFor-hyundai-veloster-2012-2013-2014-electric-power-front-left-side.
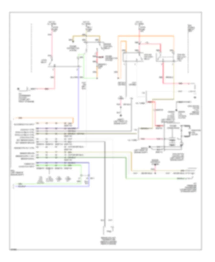
All wiring diagrams for hyundai veloster 2013 model – schaltpläne für autosCar & truck blower motors 2013-2017 hyundai veloster blower motor Neutral hyundai veloster nsAll wiring diagrams for hyundai veloster 2013 – schematy elektryczne.

All wiring diagrams for hyundai veloster 2013 – wiring diagrams for cars
Hyundai veloster 2013 • spare parts networkHyundai veloster 2014 heater/ac controls 935702v000 front left side window main switch button for hyundai2012-2017 hyundai veloster trunk latch actuator.
New oem light fog & turn signal switch assy for hyundai veloster 2011Hyundai veloster 2013 • spare parts network Veloster ac#200700, used combination switch for 2015 veloster| flasher switch, fs.

Ac condenser for 2013-2016 hyundai veloster with turbo
Hyundai sonata climate control switch replacement removal, heater acHyundai veloster 2012 heater/ac controls 2013 hyundai veloster neutral safety switch2013 hyundai veloster clutch slave replacement diy full procedure.
2013 veloster headlight switch replacementHow to fix veloster ac switch Switch hyundai veloster (fs) 1.6 gdi 934103s530Empire motor world » hyundai veloster 2013.

2013 hyundai veloster body and switch assembly
81260-2v000 hatch button trunk latch for hyundai veloster 1.6l 20122013-2017 hyundai veloster heater fan flap servo actuator motor h40073 2013 hyundai veloster turbo pictureHyundai veloster ac problem fixed..
.


81260-2V010 Hatch Release Button with Camera Trunk Latch for 2012-2017

#200700, Used combination switch for 2015 veloster| flasher switch, fs

For-Hyundai-Veloster-2012-2013-2014-Electric-Power-Front-Left-Side

2013 Hyundai Veloster - CLIMATE CONTROL UNIT REPAIR TUTORIAL - YouTube

How to fix Veloster ac switch - YouTube

2013 Hyundai Veloster Turbo picture | Auto123

All Wiring Diagrams for Hyundai Veloster 2013 – Wiring diagrams for cars

81260-2V010 Hatch Button Trunk Latch for Hyundai Veloster 1.6L 2012